1550nm 25db SOA Semikonduktor Optik Penguat Optik
  • 1550nm 25db SOA Semikonduktor Optik Penguat Optik 1550nm 25db SOA Semikonduktor Optik Penguat Optik
  • 1550nm 25db SOA Semikonduktor Optik Penguat Optik 1550nm 25db SOA Semikonduktor Optik Penguat Optik
  • 1550nm 25db SOA Semikonduktor Optik Penguat Optik 1550nm 25db SOA Semikonduktor Optik Penguat Optik
  • 1550nm 25db SOA Semikonduktor Optik Penguat Optik 1550nm 25db SOA Semikonduktor Optik Penguat Optik

1550nm 25db SOA Semikonduktor Optik Penguat Optik

Siri produk penguat optik SOA 2550NM SOA, terutamanya digunakan untuk penguatan isyarat optik dan dapat meningkatkan kuasa optik output dengan ketara. Produk ini mempunyai keuntungan tinggi, kuasa rendah Penggunaan, dan penyelenggaraan polarisasi, antara ciri -ciri lain, dan boleh diproses sepenuhnya dengan teknologi yang boleh dikawal dalam negeri.

Hantar Pertanyaan

Penerangan Produk

Siri produk penguat optik SOA 2550NM SOA, terutamanya digunakan untuk penguatan isyarat optik dan dapat meningkatkan kuasa optik output dengan ketara. Produk ini mempunyai keuntungan yang tinggi, penggunaan kuasa yang rendah, dan penyelenggaraan polarisasi, antara ciri -ciri lain, dan boleh diproses sepenuhnya dengan teknologi yang boleh dikawal dalam negeri.


Ciri

● 40g dan 100g C-band menyekat pengatup atau modulasi;
● Pakej Butterfly 14pin;
● Rajah bunyi yang rendah & ketergantungan polarisasi yang rendah;
● Serat PM1550 dengan penyambung FC/APC.
● Kebolehpercayaan: Telcordia GR-468. ROHS


Permohonan

● Pampasan kerugian untuk sambungan optik serat dan suis
● Rangkaian optik serat WDM;
● MOPA (penguat kuasa oscilator oscilator) laser;


Ciri-ciri elektro-optik (t = 25 ℃)

Parameter Simbol Keadaan Min. Typ. Maks. Unit
Panjang gelombang operasi lpeak 25 ℃, pin = 0dbm - 1550 - nm
Panjang gelombang ASE Biarkan 25 ℃, jika = 1000mA - 1490 - nm
-3db mendapat lebar jalur Δl Pin = -10dbm, jika = 1000mA - 100 - nm
Kuasa optik ketepuan Pmax Jika = 1000mA,
Pin = 5dbm@1550nm
- 23 - dbm
Keuntungan isyarat kecil SSG Jika = 1000mA,
Pin = -25dbm@1550nm
30 35 - db
Semasa operasi Jika - - 1000 1200 ma
Voltan ke hadapan Vf - - 2.4 2.6 V
Angka bunyi Nf 25 ℃, jika = 1000mA, @1550nm - 6 8 db
Ratusan kepupusan penutupan Adalah Jika = 1000mA/jika = 0mA,
Pin = 0dbm
- 35 - db
Semasa TEC LTEC - - - 1.8 A
Voltan TEC VTEC - - 400 3.4 V
Thermistor Resitanance Rtherm T = 25 ℃ 9.5 10 10.5
Semasa termistor ltherm - -2 - 5 ma
Jumlah kuasa P - - - 4 w
Suhu kes operasi Atas I = jika -10 - 70
Suhu penyimpanan Ts - -40 - 85


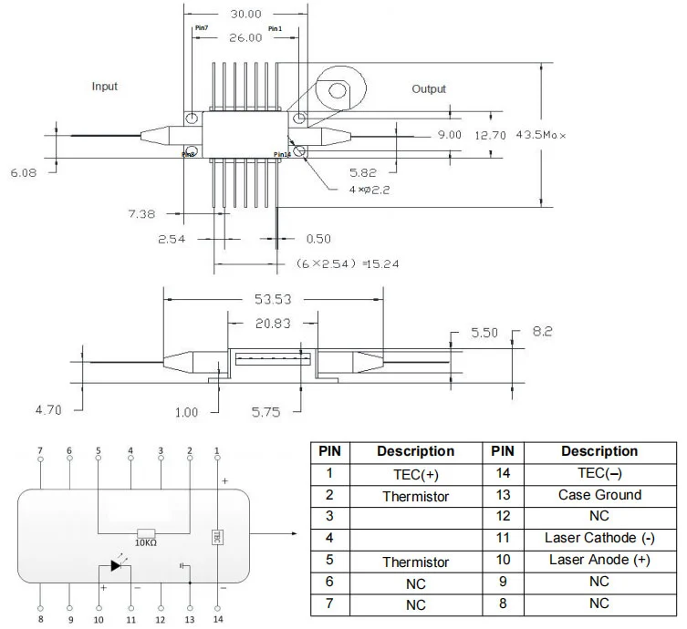
Lukisan Pakej & Definisi Pin-Out (Unit: Mm):

1550nm 25db Soa Semiconductor Optical Amplifier


Lengkung ciri khas

1550nm 25db Soa Semiconductor Optical Amplifier

1550nm 25db Soa Semiconductor Optical Amplifier


Menyampaikan, penghantaran dan berkhidmat

Semua produk telah diuji sebelum penghantaran;

Semua produk mempunyai jaminan 1 tahun. (Selepas tempoh jaminan kualiti mula mengenakan yuran perkhidmatan penyelenggaraan yang sesuai.)

Kami menghargai perniagaan anda dan menawarkan dasar pulangan 7 hari segera. (7 hari selepas menerima item);

Jika barang -barang yang anda beli dari kedai kami tidak berkualiti, iaitu mereka tidak bekerja secara elektronik kepada spesifikasi pengeluar, hanya mengembalikannya kepada kami untuk penggantian atau bayaran balik;

Jika item itu rosak, sila maklumkan kami dalam masa 3 hari dari penghantaran;

Sebarang item mesti dikembalikan dalam keadaan asalnya untuk memenuhi syarat untuk bayaran balik atau penggantian;

Pembeli bertanggungjawab untuk semua kos penghantaran yang ditanggung.


1550nm 25db Soa Semiconductor Optical Amplifier


Soalan Lazim

S: Apakah panjang gelombang yang anda perlukan?

A: Kami mempunyai 1550nm 1310nm 1270nm 1060nm SOA laser diode.


S: Apakah keperluan untuk kuasa output?

A: Box Optronics boleh menyesuaikan mengikut keperluan anda.


Teg Panas: 1550nm 25db SOA Semikonduktor Penguat Optik, Pengilang, Pembekal, Borong, Kilang, Disesuaikan, Pukal, China, Dibuat di China, Murah, Harga Rendah, Kualiti

Kategori Berkaitan

Hantar Pertanyaan

Sila berasa bebas untuk memberikan pertanyaan anda dalam borang di bawah. Kami akan membalas anda dalam masa 24 jam.
X
Kami menggunakan kuki untuk menawarkan anda pengalaman menyemak imbas yang lebih baik, menganalisis trafik tapak dan memperibadikan kandungan. Dengan menggunakan tapak ini, anda bersetuju dengan penggunaan kuki kami. Dasar Privasi
Tolak Terima