Modul laser Power 1653.7nm yang tinggi menggunakan pembinaan planar dengan cip pada subcarrier. Yang tinggi cip kuasa secara hermetically dimeteraikan dalam pakej rama-rama 14-pin bebas epoksi dan fluks dan dilengkapi dengan Thermistor, thermoelectric cooler, dan memantau diod untuk mendapatkan prestasi laser berkualiti tinggi. 1653NM 40MW BTF laser diod untuk pengesanan gas metana adalah Telcordia GR-468 yang layak, dan mematuhi arahan ROHS.
Modul laser Power 1653.7nm yang tinggi menggunakan pembinaan planar dengan cip pada subcarrier. Cip kuasa tinggi secara hermetically dimeteraikan dalam pakej rama-rama 14-pin bebas epoksi dan fluks dan dilengkapi dengan termistor, termoelektrik sejuk, dan memantau diod untuk mendapatkan prestasi laser berkualiti tinggi. Produk laser kami adalah Telcordia GR-468 yang layak, dan mematuhi arahan ROHS.
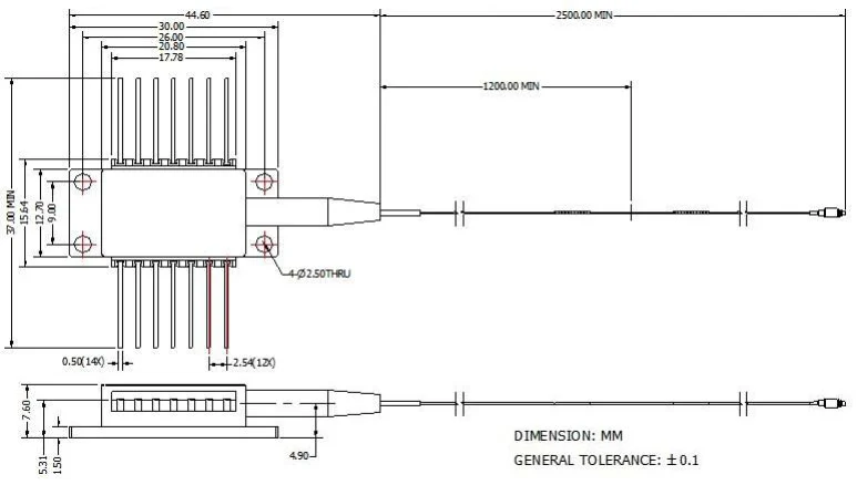
● Pakej rama-rama 14-pin standard industri;
● TEC terbina dalam dan pengasingan optik;
● Laser yang berprestasi tinggi, multiquantum (MQW) diedarkan umpan balik (DFB) laser.
● Ujian pengeluaran komponen pasif untuk pengesanan gas;
● Sistem pengesanan gas serat;
● Sumber laser.
| Parameter | Simbol | Keadaan | Min. | Typ. | Maks. | Unit |
| Panjang gelombang tengah | LC | Tl = 15 ~ 35 ℃ qu | 1652.7 | 1653.7 | 1654.7 | nm |
| Kuasa output optik | Selepas | CW | - | 40 | - | mw |
| Semasa ambang ld | Ith | CW | - | 15 | 40 | ma |
| LD Forward Current | Jika | Pf = kuasa dinilai | - | 300 | 400 | ma |
| Pengasingan optik | - | -10 |
30
|
-
|
-
|
db |
|
| Nisbah penindasan mod-mod | SMSR | CW | 35 | 40 | - | db |
| Memantau respontiviti | Vaksinasi | - | - | 1 | 20 | adalah / mw |
| Memantau kestabilan responsif | - | - | - | - | 20% | - |
| Pantau arus gelap | Id | VPD = 5V | - | - | 50 | na |
| Semasa TEC | Itec | Tcase = 75 ℃ | - | - | 2 | A |
| Voltan TEC | VTEC | Tcase = 75 ℃ | - | - | 3.5 | V |
| Penggunaan kuasa TEC | P | TSTG = 25 ℃ | - | - | 5 | W |
| Rintangan termistor | Rth | Tcase = 75 ℃ | 9.5 | 10 | 10.5 | Kohm |
| Thermistor B tetap | Bth | TSTG = 25 ℃ | - | 3900 | - | K |
| Hanyut panjang gelombang (EOL) | △ λ | Diuji sepanjang hayat 25 tahun | - | - | ± 0.1 | nm |
| Gelombang. Pekali suhu | DL/DT | Suhu TEC pada 15 ℃ hingga 35 ℃ | - | 0.09 | - | nm/℃ |
| Pekali semasa gelombang panjang | Dl/di | - | - | 0.01 | - | Nm / in |

Semua produk telah diuji sebelum penghantaran;
Semua produk mempunyai jaminan 1 tahun. (Selepas tempoh jaminan kualiti mula mengenakan yuran perkhidmatan penyelenggaraan yang sesuai.)
Kami menghargai perniagaan anda dan menawarkan dasar pulangan 7 hari segera. (7 hari selepas menerima item);
Jika barang -barang yang anda beli dari kedai kami tidak berkualiti, iaitu mereka tidak bekerja secara elektronik kepada spesifikasi pengeluar, hanya mengembalikannya kepada kami untuk penggantian atau bayaran balik;
Jika item itu rosak, sila maklumkan kami dalam masa 3 hari dari penghantaran;
Sebarang item mesti dikembalikan dalam keadaan asalnya untuk memenuhi syarat untuk bayaran balik atau penggantian;
Pembeli bertanggungjawab untuk semua kos penghantaran yang ditanggung.
S: Apakah ketepatan panjang gelombang?
A: +/- 0.5nm.
S: Adakah anda mempunyai versi lain dari kuasa output?
A: 10MW, 15MW, 50MW.
C-band Narrow Linewidth Integrated Tunable Laser Assembly ITLA
1550nm 40mW 200Khz Lebar Garis Sempit DFB Butterfly Laser Diod
Pakej Rama-rama DFB 1550nm 40mW 600Khz Diod Laser Lebar Garis Sempit
1550nm 50mW 100Khz Lebar Garisan Sempit DFB Butterfly Laser Diod
1550nm 2mW 5mW Diod Laser Sepaksi Lebar Garis Sempit
1550nm 100mw 100kHz Linewidth sempit DFB laser diode btf dengan serat SM/PMHakcipta @ 2020 Shenzhen Box Optronics Technology Co., Ltd. - Modul Fiber Optik China, Pengilang Laser Ditambah Serat, Pembekal Komponen Laser Hak Cipta Terpelihara.