Diod Laser DFB 1653nm 40mW Untuk Penderia Metana CH4 Penderiaan menggunakan binaan satah dengan cip pada subcarrier. Cip kuasa tinggi dimeterai secara hermetik dalam pakej rama-rama 14-pin bebas epoksi dan bebas fluks serta dilengkapi dengan termistor, penyejuk termoelektrik dan diod monitor untuk menjamin prestasi laser berkualiti tinggi. Produk laser kami adalah Telcordia GR-468 yang layak, dan mematuhi arahan RoHS.
Diod Laser DFB 1653nm 40mW Untuk Penderia Metana CH4 Penderiaan menggunakan binaan satah dengan cip pada subcarrier. Cip kuasa tinggi dimeterai secara hermetik dalam pakej rama-rama 14-pin bebas epoksi dan bebas fluks serta dilengkapi dengan termistor, penyejuk termoelektrik dan diod monitor untuk menjamin prestasi laser berkualiti tinggi. Produk laser kami adalah Telcordia GR-468 yang layak, dan mematuhi arahan RoHS.
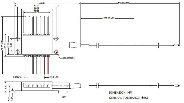
Pakej rama-rama 14-pin standard industri;
TEC terbina dalam dan pengasing optik;
Laser maklum balas teragih (DFB) berprestasi tinggi, telaga berbilang kuantum (MQW).
Ujian pengeluaran komponen pasif untuk pengesanan gas;
Sistem pengesanan gentian gas;
Sumber laser.
| Parameter | Simbol | keadaan | Min. | Taip. | Maks. | Unit |
| Panjang gelombang tengah | λc | TL=15~35℃ CW | 1652.7 | 1653.7 | 1654.7 | nm |
| Kuasa keluaran optik | Po | CW | - | 40 | - | mW |
| Arus LD Ambang | ITH | CW | - | 15 | 40 | mA |
| LD Arus hadapan | Jika | Pf =Kuasa Dinilai | - | 300 | 400 | mA |
| Pengasingan optik | - | -10 < TC < +70 ℃ | 30 | - | - | dB |
| Nisbah penindasan mod sisi | SMSR | CW | 35 | 40 | - | dB |
| Pantau tanggungjawab | Saya /Pf | - | - | 1 | 20 | uA/mW |
| Pantau kestabilan tanggungjawab | - | - | - | - | 20% | - |
| Pantau arus gelap | Id | VPD =5V | - | - | 50 | nA |
| Arus TEC | ITEC | Kes = 75 ℃ | - | - | 2 | A |
| Voltan TEC | VTEC | Kes = 75 ℃ | - | - | 3.5 | V |
| Penggunaan kuasa TEC | P | Tstg =25℃ | - | - | 5 | W |
| Rintangan Termistor | Rth | Kes = 75 ℃ | 9.5 | 10 | 10.5 | Kohm |
| Termistor B pemalar | Bth | Tstg =25℃ | - | 3900 | - | K |
| Hanyutan panjang gelombang (EOL) | △λ | Diuji sepanjang hayat 25 tahun | - | - | ±0.1 | nm |
| ombak. Pekali suhu | Δλ/ΔT | Suhu TEC pada 15 ℃ hingga 35 ℃ | - | 0.09 | - | nm/℃ |
| Panjang gelombang Pekali semasa | Δλ/ΔΙ | - | - | 0.01 | - | nm/mA |

Semua produk telah diuji sebelum dihantar keluar;
Semua produk mempunyai waranti 1-3 tahun. (Selepas tempoh jaminan kualiti mula mengenakan bayaran perkhidmatan penyelenggaraan yang sesuai.)
Kami menghargai perniagaan anda dan menawarkan polisi pemulangan 7 hari serta-merta. (7 hari selepas menerima item);
Jika item yang anda beli dari kedai kami tidak berkualiti, iaitu ia tidak berfungsi secara elektronik mengikut spesifikasi pengeluar, cuma pulangkan kepada kami untuk penggantian atau bayaran balik;
Jika barang rosak, sila maklumkan kepada kami dalam masa 3 hari selepas penghantaran;
Mana-mana item mesti dipulangkan dalam keadaan asalnya untuk layak mendapat bayaran balik atau penggantian;
Pembeli bertanggungjawab ke atas semua kos penghantaran yang ditanggung.
S: Apakah ketepatan panjang gelombang?
A: +/-0.5nm.
S: Adakah anda mempunyai versi lain kuasa output?
A: 10mW, 15mW, 50mW.
Laser Rama-rama 1512nm 10mW DFB 14PIN Untuk Penderiaan NH3
1392nm DFB Butterfly Laser Diod Untuk Penderiaan H2O Lembapan
1653nm DFB Butterfly Laser Diod Untuk Pengesanan CH4
Diod Laser Rama-rama 1567nm DFB Untuk Penderiaan CO
Diod Laser DFB 1578nm 10mW Untuk Pengesanan Hidrogen Sulfida
1580nm DFB Butterfly Laser Diod Untuk Pengesanan CO2Hak Cipta @ 2020 Shenzhen Box Optronics Technology Co., Ltd. - Modul Gentian Optik China, Pengilang Laser Gandingan Gentian, Pembekal Komponen Laser Hak Cipta Terpelihara.